MD 530G
| a | ||||||||||||||||||||||
|
MD Helicopters MD 530G scout attack helicopter
|
||||||||||||||||||||||
|
|
||||||||||||||||||||||
![]() |
||||||||||||||||||||||
|
|
||||||||||||||||||||||
|
The MD 530G is a next-generation light scout attack helicopter being developed by the US-based company MD Helicopters. MD Helicopters has been at the forefront of more than 50-years of scout attack helicopter innovation. Beginning with the 1963 introduction of the OH-6A Cayuse through to the 1985 certification of the MD 530F, the world's most reliable scout for "hot and high" performance. The MD 530G is the next evolution of purpose-built armed scout attack helicopters. Designed to be the lowest cost Gunship in the marketplace, the MD 530G maximizes mission versatility and capability for MD customers. The MD 530G platform enables military customers to meet mission requirements in austere environments more efficiently and effectively than ever before.
The helicopter was officially unveiled at the Helicopter International Association conference and exhibition (Heli-Expo) held in Anaheim, US, in February 2014. It successfully fired .50 calibre and 7.62mm ammunition, and unguided and four Raytheon TALON laser-guided rockets during live fire qualification exercise at Yuma Proving Grounds, Arizona, in August 2014. |
||||||||||||||||||||||
| Main Variants | ||||||||||||||||||||||
|
-
|
||||||||||||||||||||||
| Technical Data | ||||||||||||||||||||||
| Design | ||||||||||||||||||||||
|
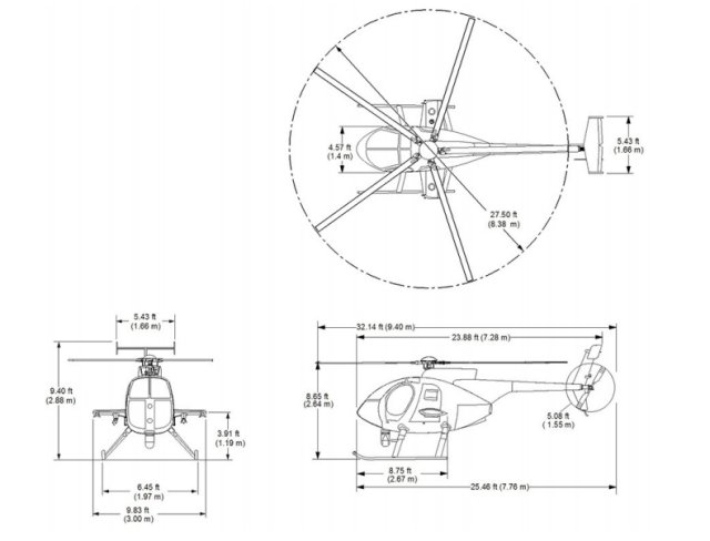
The MD 530G is based on the MD530F airframe. The helicopter is 7.76m long and 3m wide and has an overall height of 2.88m. It has five main rotor blades and two tail rotor blades. The main rotor diameter is 8.38m, while the tail rotor diameter is 1.55m. The helicopter has an empty weight of 885kg, maximum internal gross weight of 1,520kg and maximum take-off gross weight of 1,701kg. It can carry an increased useful load of 816kg to operate with additional range and endurance.
|
||||||||||||||||||||||
|
Propulsion
|
||||||||||||||||||||||
|
The MD 530G scout attack helicopter is powered by Rolls-Royce 250-C30 engine, which generates a power output of 485kW. The 250-C30 turboshaft engine is two-shaft modular design featuring a two-stage LP turbine, two-stage HP turbine, and a gearbox with 6,000rpm output. Compressed air is routed to the aft end of the engine for combustion, with exhaust gases exiting from the middle of the engine. The 250-C30 features four to six-stage axial and single-stage centrifugal compressor with a hydromechanical fuel control system. C-30 version turboshaft also features a FADEC (Full Authority Digital Engine Control) system.
The helicopter can fly at a maximum cruise speed of 240km/h at sea level under international standard atmospheric conditions. It has a maximum permitted speed of 282km/h at sea level and can fly to a range of 426km. The MD 530G can endure for two and half hours with an auxiliary fuel tank. |
||||||||||||||||||||||
|
Avionics
|
||||||||||||||||||||||
The MD 530G helicopter features T-shaped instrument panel installed with two glass multi-function displays (MFDs). On the left is the EO/IR video display, which includes weapon status and targeting overlays. The right side of the panel is the pilot's Garmin G500H MFD, and below is back up flight/engine instrumentation. The MD 530G helicopter is also equipped with Rhode & Schwarz M3AR tactical radio communications solution with a frequency range from 30MHz to 400MHz.With the integration of on-board systems that include a Stores Management System, forward looking infrared sensor, and an advanced communications suite, MD Helicopters has evolved a proven platform to provide comprehensive battlefield command and control coordination for the successful execution of Attack, Reconnaissance and Security missions. The MD 530G is fitted with the Moog Third Generation Weapon Stores Management System (SMS), whichprovides the aviator with best-in-class weapons management on the MD 530G Armed Scout/Attack platform. This scalable SMS includes one Stores Management Computer (SMC), weighing 4 pounds, located in the cargo compartment, one Multi-Function Display (MFD), weighing 6 pounds, mounted in the cockpit instrument panel, one Stores Control Panel (SCP), weighing 1.2 pounds, mounted in the cockpit slant panel, two Stores Interface Unit (SIU), weighing 3.5 pounds/7 pounds total, located in the cargo compartment, and two Rocket Interface Unit (RIU), weighing 3 pounds/6 pounds total, located in the cargo compartment. The total weight of the SMS is only 24.2 lbs. The Stores Management Computer interfaces with the Multi-function Display and the MX-10D EO/IR sensor and laser designation system via RS-422, MIL-STD-1553, ARINC-429, or Ethernet, depending on customer need. For the MD 530G application, the SMS supports up to 4 weapons stations; including integration of machine guns, unguided and guided munitions. |
||||||||||||||||||||||
| Accessories | ||||||||||||||||||||||
|
Infused with modern technology and MDHI innovation, the agility and firepower of the MD 530G will provide significant expansion in airborne combat capabilities, enabling military customers to meet mission requirements in austere environments more effectively and efficiently than ever before. With cruise speeds in excess of 110kts, the MD 530G is designed for agile deployment with any rotary wing unit. The aircraft features increased capacity landing gear supporting the 3,750 MGTOW (max gross takeoff weight). This allows the operator to utilize the increased useful load for additional range, endurance and weapons.
The MD 530G is equipped with Mace Aviation's weapons mounting structure. The Mace Aviation Extended Range Weapons Wing (ER2W) is a lightweight, four-station weapons platform constructed of aerospace grade composite materials. The ER2W was specifically designed for MD Helicopters product line and enhances the MD 530G aircraft performance by the wing’s integral 35 gallon auxiliary fuel system. The Mace ER2W provides four distinct advantages to the MD 530G aircraft that are not provided by other legacy weapons mount structures. The ER2W is lightweight, weighing less than 100 pounds empty and can carry over 1,300 pounds of weapons and ammo to include 235 pounds of fuel. Integral to the ER2W is a crashworthy, self-sealing 35 gallon fuel system, manufactured by Robertson Fuel Systems, increases the MD 530G’s effective range and endurance by approximately one hour. The system is designed for rapid reconfiguration. A three point attachment scheme and quick disconnects for the wiring harness and fuel line allows the MD 530G to be quickly reconfigured between attack, assault, and/or utility operations in less than 10 minutes by two personnel. The ER2W airfoil design provides increased maneuverability with decreased drag. The ER2W is equipped with four weapons stations that include provisions for the M134D-H for both inboard stations. The two outboard stations are equipped with ALKAN suspension racks with standard 14 inch NATO interfaces and provisions for in-flight store jettison for additional pod guns, rockets or missiles. The ER2W is designed to grow with the capability and operator needs.The L-3 Wescam MX-10 series sensor and LASER designator will round out the MD 530G mission and weapons equipment package. The MX-10 and MX-10D deliver MX-series high performance stabilization, high resolution HD Color, Lowlight and Infra-Red imagery, high accuracy Geopoint/Geolocate and precision targeting lasers to the small turret class. The MX-10 and MX-10D are combat proven and serving on U.S Military, International and Special Forces Platforms around the world today. The MX-10/10D are a single LRU system saving both weight, space and cabling on the MD 530G with a total system weight below 43lbs. The MX10 is self-aligning and bore-sighting requiring input from the aircraft, and permits Geo-point and geo tracking capability. L3's MX10 features 4-axis stabilization vibration isolation of the payload provide the ability to conduct laser designation beyond 10km, a low Pilot work load as the turret maintains target position without input while maneuvering the aircraft, and a high reliability and low cost of operation with mean time between failure exceeding 1000HRS. The MX-10D is compatible with industry-standard mounting interfaces and also supports platform unique requirements. The overall diameter of 10.24 inch x 10.6 inch (260 x 270 mm) matches existing small EO/IR systems, making the MX-10D suitable for belly mounting in low ground clearance airframes. The electrical connectors are side mounted to facilitate installations where cable penetration immediately above the turret is not practical. The MX-10 series provide three high definition SMPTE 292M digital video outputs and four analog video outputs, for direct connection to displays, recorders and data links. All internal video paths are digital, excluding the final digital-to-analog conversion step for the analog videos. Each output of the digital video switch matrix can be independently selected to be IR, EO, Fused or Video-In-Control. Symbology on each output from the switch matrix can be individually enabled, disabled and de-cluttered. For the heavy machine gun solution, the MD 530G incorporates the FN Herstal Heavy Machine Gun Pod (HMP). This system is an independent unit housing a 12.7 mm (.50 caliber) FN M3P machine gun. Fitted with standard lugs, the pod can be carried by the MD 530G helicopter’s 14-inch NATO standard bomb rack. The weapon is air cooled and operates by short barrel recoil. The gun is accurate up to 1,850 meters and remains effective up to 3,000 meters. Its high rate of fire - up to 1,100 rounds per minute - provides lethal fire concentration. A self-contained ammunition box has a capacity of up to 400 cartridges. Cartridges are fed to the gun by an internal ammunition chute. High ammunition capacity enables a number of attacks to be made without rearming. Belt advance is smooth and without risk of jamming or fouling due to aircraft attitudes and accelerations. The pod also contains a rounds counter, remote re-cocking device, and remote gun-safing capability. On the MD 530G, links and empty cases may be collected inside the pod, eliminating the risk of damage to the tail rotor and reducing changes in the pods center of gravity. The M3P can be configured to be fed from either the left or right-hand side depending on aircraft configuration. The machine gun is attached via an elastic cradle called a “Soft Mount”. Recoil forces are effectively reduced to minimize vibration transferred to the airframe. A quick adjust Boresight harmonization device is included that allows the gun to rapidly be adjusted in elevation and azimuth. The Rocket Machine Gun Pod (RMP) combines two weapons systems into one. The system includes the 12.7mm (.50 caliber) FN M3P machine gun and NATO Standard 2.75inch/70mm 3-tube rocket launcher. This is the only aircraft weapons system that combines two (2) weapons types on one aircraft pylon or weapons mount. On this dual weapons pod, the machine gun ammunition box contains up to 250 cartridges. The system has the capability of collecting all spent ammunition links. The rocket system is capable of firing both guided and unguided rockets. All FN pods are of a modular design, allowing the customer the choice to collect spent casings and links, or to eject them if desired. The modular design also allows for easy conversion of the HMP into an RMP with the addition of the Rocket Tube Kit.The MD 530G’s light machine gun solution is the Dillon Aero M134D-H Gatling Gun. The M134D-H (Hybrid) is the latest Gatling Gun design from Dillon Aero. This Hybrid Gatling Gun combines the light-weight attributes of the M134D-T (Titanium) weapon with the long-life durability of the M134D (Steel) variant. The Hybrid Gun is ideal for aircraft applications, weighing a mere two pounds more than the Titanium variant. Service life is extended three-fold, increasing weapon-system longevity from 300,000 to 1,000,000 rounds. The MD 530G offers the M134D-H in multiple arrangement options, including single and dual-weapon configurations, effectively complementing other weapon system capabilities. The M134D-H will come standard with a 3,000 round ammo magazine that will be easily stowed on top of the Mace Extended Range Weapons Wing in the cargo compartment of the MD 530G. The total system weight, including the weapon, feed chute, harness, and ammunition magazine is a mere 93 pounds, excluding ammunition. The Raytheon TALON 2.75-inch (70 mm) Laser-Guided Rocket, co-developed with the United Arab Emirates, leverages Raytheon’s extensive experience in laser seeker technology and builds on its proven track record of precision munitions development and production. TALON is a low cost solution that fills the gap between existing unguided rockets and heavy, expensive anti-tank missiles that are currently deployed on attack helicopters. It is effective against soft and lightly armored point targets while providing precision engagement capability that reduces the potential of collateral damage. TALON’s architecture and ease of employment make it a low-cost, highly precise weapon for missions in urban environments, counter insurgency and swarming boat defense missions. The TALON LGR consists of a light weight laser guidance kit that attaches to existing 2.75-inch (70 mm) unguided rockets that are used extensively throughout the world. The guidance kit incorporates Raytheon’s digital semi-active laser seeker, guidance electronics, a three-axis control actuation system, and the TALON roll-optimizing tail-fin assembly. The kit is fully compatible with existing airborne and ground laser designators and requires no modifications to the existing 70 mm rocket launchers. |
||||||||||||||||||||||
| Specifications | ||||||||||||||||||||||
|
||||||||||||||||||||||
![]() |
||||||||||||||||||||||
|
||||||||||||||||||||||
MD 530G
| a | ||||||||||||||||||||||
|
MD Helicopters MD 530G scout attack helicopter
|
||||||||||||||||||||||
|
|
||||||||||||||||||||||
![]() |
||||||||||||||||||||||
|
|
||||||||||||||||||||||
|
The MD 530G is a next-generation light scout attack helicopter being developed by the US-based company MD Helicopters. MD Helicopters has been at the forefront of more than 50-years of scout attack helicopter innovation. Beginning with the 1963 introduction of the OH-6A Cayuse through to the 1985 certification of the MD 530F, the world's most reliable scout for "hot and high" performance. The MD 530G is the next evolution of purpose-built armed scout attack helicopters. Designed to be the lowest cost Gunship in the marketplace, the MD 530G maximizes mission versatility and capability for MD customers. The MD 530G platform enables military customers to meet mission requirements in austere environments more efficiently and effectively than ever before.
The helicopter was officially unveiled at the Helicopter International Association conference and exhibition (Heli-Expo) held in Anaheim, US, in February 2014. It successfully fired .50 calibre and 7.62mm ammunition, and unguided and four Raytheon TALON laser-guided rockets during live fire qualification exercise at Yuma Proving Grounds, Arizona, in August 2014. |
||||||||||||||||||||||
| Main Variants | ||||||||||||||||||||||
|
-
|
||||||||||||||||||||||
| Technical Data | ||||||||||||||||||||||
| Design | ||||||||||||||||||||||
|
The MD 530G is based on the MD530F airframe. The helicopter is 7.76m long and 3m wide and has an overall height of 2.88m. It has five main rotor blades and two tail rotor blades. The main rotor diameter is 8.38m, while the tail rotor diameter is 1.55m. The helicopter has an empty weight of 885kg, maximum internal gross weight of 1,520kg and maximum take-off gross weight of 1,701kg. It can carry an increased useful load of 816kg to operate with additional range and endurance.
|
||||||||||||||||||||||
|
Propulsion
|
||||||||||||||||||||||
|
The MD 530G scout attack helicopter is powered by Rolls-Royce 250-C30 engine, which generates a power output of 485kW. The 250-C30 turboshaft engine is two-shaft modular design featuring a two-stage LP turbine, two-stage HP turbine, and a gearbox with 6,000rpm output. Compressed air is routed to the aft end of the engine for combustion, with exhaust gases exiting from the middle of the engine. The 250-C30 features four to six-stage axial and single-stage centrifugal compressor with a hydromechanical fuel control system. C-30 version turboshaft also features a FADEC (Full Authority Digital Engine Control) system.
The helicopter can fly at a maximum cruise speed of 240km/h at sea level under international standard atmospheric conditions. It has a maximum permitted speed of 282km/h at sea level and can fly to a range of 426km. The MD 530G can endure for two and half hours with an auxiliary fuel tank. |
||||||||||||||||||||||
|
Avionics
|
||||||||||||||||||||||
The MD 530G helicopter features T-shaped instrument panel installed with two glass multi-function displays (MFDs). On the left is the EO/IR video display, which includes weapon status and targeting overlays. The right side of the panel is the pilot's Garmin G500H MFD, and below is back up flight/engine instrumentation. The MD 530G helicopter is also equipped with Rhode & Schwarz M3AR tactical radio communications solution with a frequency range from 30MHz to 400MHz.With the integration of on-board systems that include a Stores Management System, forward looking infrared sensor, and an advanced communications suite, MD Helicopters has evolved a proven platform to provide comprehensive battlefield command and control coordination for the successful execution of Attack, Reconnaissance and Security missions. The MD 530G is fitted with the Moog Third Generation Weapon Stores Management System (SMS), whichprovides the aviator with best-in-class weapons management on the MD 530G Armed Scout/Attack platform. This scalable SMS includes one Stores Management Computer (SMC), weighing 4 pounds, located in the cargo compartment, one Multi-Function Display (MFD), weighing 6 pounds, mounted in the cockpit instrument panel, one Stores Control Panel (SCP), weighing 1.2 pounds, mounted in the cockpit slant panel, two Stores Interface Unit (SIU), weighing 3.5 pounds/7 pounds total, located in the cargo compartment, and two Rocket Interface Unit (RIU), weighing 3 pounds/6 pounds total, located in the cargo compartment. The total weight of the SMS is only 24.2 lbs. The Stores Management Computer interfaces with the Multi-function Display and the MX-10D EO/IR sensor and laser designation system via RS-422, MIL-STD-1553, ARINC-429, or Ethernet, depending on customer need. For the MD 530G application, the SMS supports up to 4 weapons stations; including integration of machine guns, unguided and guided munitions. |
||||||||||||||||||||||
| Accessories | ||||||||||||||||||||||
|
Infused with modern technology and MDHI innovation, the agility and firepower of the MD 530G will provide significant expansion in airborne combat capabilities, enabling military customers to meet mission requirements in austere environments more effectively and efficiently than ever before. With cruise speeds in excess of 110kts, the MD 530G is designed for agile deployment with any rotary wing unit. The aircraft features increased capacity landing gear supporting the 3,750 MGTOW (max gross takeoff weight). This allows the operator to utilize the increased useful load for additional range, endurance and weapons.
The MD 530G is equipped with Mace Aviation's weapons mounting structure. The Mace Aviation Extended Range Weapons Wing (ER2W) is a lightweight, four-station weapons platform constructed of aerospace grade composite materials. The ER2W was specifically designed for MD Helicopters product line and enhances the MD 530G aircraft performance by the wing’s integral 35 gallon auxiliary fuel system. The Mace ER2W provides four distinct advantages to the MD 530G aircraft that are not provided by other legacy weapons mount structures. The ER2W is lightweight, weighing less than 100 pounds empty and can carry over 1,300 pounds of weapons and ammo to include 235 pounds of fuel. Integral to the ER2W is a crashworthy, self-sealing 35 gallon fuel system, manufactured by Robertson Fuel Systems, increases the MD 530G’s effective range and endurance by approximately one hour. The system is designed for rapid reconfiguration. A three point attachment scheme and quick disconnects for the wiring harness and fuel line allows the MD 530G to be quickly reconfigured between attack, assault, and/or utility operations in less than 10 minutes by two personnel. The ER2W airfoil design provides increased maneuverability with decreased drag. The ER2W is equipped with four weapons stations that include provisions for the M134D-H for both inboard stations. The two outboard stations are equipped with ALKAN suspension racks with standard 14 inch NATO interfaces and provisions for in-flight store jettison for additional pod guns, rockets or missiles. The ER2W is designed to grow with the capability and operator needs.The L-3 Wescam MX-10 series sensor and LASER designator will round out the MD 530G mission and weapons equipment package. The MX-10 and MX-10D deliver MX-series high performance stabilization, high resolution HD Color, Lowlight and Infra-Red imagery, high accuracy Geopoint/Geolocate and precision targeting lasers to the small turret class. The MX-10 and MX-10D are combat proven and serving on U.S Military, International and Special Forces Platforms around the world today. The MX-10/10D are a single LRU system saving both weight, space and cabling on the MD 530G with a total system weight below 43lbs. The MX10 is self-aligning and bore-sighting requiring input from the aircraft, and permits Geo-point and geo tracking capability. L3's MX10 features 4-axis stabilization vibration isolation of the payload provide the ability to conduct laser designation beyond 10km, a low Pilot work load as the turret maintains target position without input while maneuvering the aircraft, and a high reliability and low cost of operation with mean time between failure exceeding 1000HRS. The MX-10D is compatible with industry-standard mounting interfaces and also supports platform unique requirements. The overall diameter of 10.24 inch x 10.6 inch (260 x 270 mm) matches existing small EO/IR systems, making the MX-10D suitable for belly mounting in low ground clearance airframes. The electrical connectors are side mounted to facilitate installations where cable penetration immediately above the turret is not practical. The MX-10 series provide three high definition SMPTE 292M digital video outputs and four analog video outputs, for direct connection to displays, recorders and data links. All internal video paths are digital, excluding the final digital-to-analog conversion step for the analog videos. Each output of the digital video switch matrix can be independently selected to be IR, EO, Fused or Video-In-Control. Symbology on each output from the switch matrix can be individually enabled, disabled and de-cluttered. For the heavy machine gun solution, the MD 530G incorporates the FN Herstal Heavy Machine Gun Pod (HMP). This system is an independent unit housing a 12.7 mm (.50 caliber) FN M3P machine gun. Fitted with standard lugs, the pod can be carried by the MD 530G helicopter’s 14-inch NATO standard bomb rack. The weapon is air cooled and operates by short barrel recoil. The gun is accurate up to 1,850 meters and remains effective up to 3,000 meters. Its high rate of fire - up to 1,100 rounds per minute - provides lethal fire concentration. A self-contained ammunition box has a capacity of up to 400 cartridges. Cartridges are fed to the gun by an internal ammunition chute. High ammunition capacity enables a number of attacks to be made without rearming. Belt advance is smooth and without risk of jamming or fouling due to aircraft attitudes and accelerations. The pod also contains a rounds counter, remote re-cocking device, and remote gun-safing capability. On the MD 530G, links and empty cases may be collected inside the pod, eliminating the risk of damage to the tail rotor and reducing changes in the pods center of gravity. The M3P can be configured to be fed from either the left or right-hand side depending on aircraft configuration. The machine gun is attached via an elastic cradle called a “Soft Mount”. Recoil forces are effectively reduced to minimize vibration transferred to the airframe. A quick adjust Boresight harmonization device is included that allows the gun to rapidly be adjusted in elevation and azimuth. The Rocket Machine Gun Pod (RMP) combines two weapons systems into one. The system includes the 12.7mm (.50 caliber) FN M3P machine gun and NATO Standard 2.75inch/70mm 3-tube rocket launcher. This is the only aircraft weapons system that combines two (2) weapons types on one aircraft pylon or weapons mount. On this dual weapons pod, the machine gun ammunition box contains up to 250 cartridges. The system has the capability of collecting all spent ammunition links. The rocket system is capable of firing both guided and unguided rockets. All FN pods are of a modular design, allowing the customer the choice to collect spent casings and links, or to eject them if desired. The modular design also allows for easy conversion of the HMP into an RMP with the addition of the Rocket Tube Kit.The MD 530G’s light machine gun solution is the Dillon Aero M134D-H Gatling Gun. The M134D-H (Hybrid) is the latest Gatling Gun design from Dillon Aero. This Hybrid Gatling Gun combines the light-weight attributes of the M134D-T (Titanium) weapon with the long-life durability of the M134D (Steel) variant. The Hybrid Gun is ideal for aircraft applications, weighing a mere two pounds more than the Titanium variant. Service life is extended three-fold, increasing weapon-system longevity from 300,000 to 1,000,000 rounds. The MD 530G offers the M134D-H in multiple arrangement options, including single and dual-weapon configurations, effectively complementing other weapon system capabilities. The M134D-H will come standard with a 3,000 round ammo magazine that will be easily stowed on top of the Mace Extended Range Weapons Wing in the cargo compartment of the MD 530G. The total system weight, including the weapon, feed chute, harness, and ammunition magazine is a mere 93 pounds, excluding ammunition. The Raytheon TALON 2.75-inch (70 mm) Laser-Guided Rocket, co-developed with the United Arab Emirates, leverages Raytheon’s extensive experience in laser seeker technology and builds on its proven track record of precision munitions development and production. TALON is a low cost solution that fills the gap between existing unguided rockets and heavy, expensive anti-tank missiles that are currently deployed on attack helicopters. It is effective against soft and lightly armored point targets while providing precision engagement capability that reduces the potential of collateral damage. TALON’s architecture and ease of employment make it a low-cost, highly precise weapon for missions in urban environments, counter insurgency and swarming boat defense missions. The TALON LGR consists of a light weight laser guidance kit that attaches to existing 2.75-inch (70 mm) unguided rockets that are used extensively throughout the world. The guidance kit incorporates Raytheon’s digital semi-active laser seeker, guidance electronics, a three-axis control actuation system, and the TALON roll-optimizing tail-fin assembly. The kit is fully compatible with existing airborne and ground laser designators and requires no modifications to the existing 70 mm rocket launchers. |
||||||||||||||||||||||
| Specifications | ||||||||||||||||||||||
|
||||||||||||||||||||||
![]() |
||||||||||||||||||||||
|
||||||||||||||||||||||

The MD 530G helicopter features T-shaped instrument panel installed with two glass multi-function displays (MFDs). On the left is the EO/IR video display, which includes weapon status and targeting overlays. The right side of the panel is the pilot's Garmin G500H MFD, and below is back up flight/engine instrumentation.
The MD 530G is equipped with Mace Aviation's weapons mounting structure. The Mace Aviation Extended Range Weapons Wing (ER2W) is a lightweight, four-station weapons platform constructed of aerospace grade composite materials. The ER2W was specifically designed for MD Helicopters product line and enhances the MD 530G aircraft performance by the wing’s integral 35 gallon auxiliary fuel system. The Mace ER2W provides four distinct advantages to the MD 530G aircraft that are not provided by other legacy weapons mount structures. The ER2W is lightweight, weighing less than 100 pounds empty and can carry over 1,300 pounds of weapons and ammo to include 235 pounds of fuel. Integral to the ER2W is a crashworthy, self-sealing 35 gallon fuel system, manufactured by Robertson Fuel Systems, increases the MD 530G’s effective range and endurance by approximately one hour. The system is designed for rapid reconfiguration. A three point attachment scheme and quick disconnects for the wiring harness and fuel line allows the MD 530G to be quickly reconfigured between attack, assault, and/or utility operations in less than 10 minutes by two personnel. The ER2W airfoil design provides increased maneuverability with decreased drag. The ER2W is equipped with four weapons stations that include provisions for the M134D-H for both inboard stations. The two outboard stations are equipped with ALKAN suspension racks with standard 14 inch NATO interfaces and provisions for in-flight store jettison for additional pod guns, rockets or missiles. The ER2W is designed to grow with the capability and operator needs.
For the heavy machine gun solution, the MD 530G incorporates the FN Herstal Heavy Machine Gun Pod (HMP). This system is an independent unit housing a 12.7 mm (.50 caliber) FN M3P machine gun. Fitted with standard lugs, the pod can be carried by the MD 530G helicopter’s 14-inch NATO standard bomb rack. The weapon is air cooled and operates by short barrel recoil. The gun is accurate up to 1,850 meters and remains effective up to 3,000 meters. Its high rate of fire - up to 1,100 rounds per minute - provides lethal fire concentration. A self-contained ammunition box has a capacity of up to 400 cartridges. Cartridges are fed to the gun by an internal ammunition chute. High ammunition capacity enables a number of attacks to be made without rearming. Belt advance is smooth and without risk of jamming or fouling due to aircraft attitudes and accelerations. The pod also contains a rounds counter, remote re-cocking device, and remote gun-safing capability. On the MD 530G, links and empty cases may be collected inside the pod, eliminating the risk of damage to the tail rotor and reducing changes in the pods center of gravity. The M3P can be configured to be fed from either the left or right-hand side depending on aircraft configuration. The machine gun is attached via an elastic cradle called a “Soft Mount”. Recoil forces are effectively reduced to minimize vibration transferred to the airframe. A quick adjust Boresight harmonization device is included that allows the gun to rapidly be adjusted in elevation and azimuth. The Rocket Machine Gun Pod (RMP) combines two weapons systems into one. The system includes the 12.7mm (.50 caliber) FN M3P machine gun and NATO Standard 2.75inch/70mm 3-tube rocket launcher. This is the only aircraft weapons system that combines two (2) weapons types on one aircraft pylon or weapons mount. On this dual weapons pod, the machine gun ammunition box contains up to 250 cartridges. The system has the capability of collecting all spent ammunition links. The rocket system is capable of firing both guided and unguided rockets. All FN pods are of a modular design, allowing the customer the choice to collect spent casings and links, or to eject them if desired. The modular design also allows for easy conversion of the HMP into an RMP with the addition of the Rocket Tube Kit.



